首页
齿轮减速机
PG行星齿轮减速机
HG直交轴齿轮减速电机
YYJT小型齿轮减速电机
NMRV蜗轮减速机
标淮三相减速机型
标淮三相缩框机型
标淮单相减速机型
标淮单相缩框机型
三相立式马达机型
PGL行星减速机
PGC行星减速机
PGR转角行星减速机
RAS转角减速机
型号含义及其他参考资料
小型(15-120W)
中型(200-750W)
型号含义及其他参考资料
AC小型交流减速电机
GR直角齿轮减速电机
转矩电机
直线减速机
调速器
型号含义及其他参考资料
NMRV蜗轮减速器
NMRV-NMRV双联蜗轮减速器
型号含义及其他参考资料
齿轮减速机
标淮三相减速机型
标淮三相缩框机型
标淮单相减速机型
标淮单相缩框机型
三相立式马达机型
PG行星齿轮减速机
PGL行星减速机
PGC行星减速机
PGR转角行星减速机
RAS转角减速机
型号含义及其他参考资料
HG直交轴齿轮减速电机
小型(15-120W)
中型(200-750W)
型号含义及其他参考资料
YYJT小型齿轮减速电机
AC小型交流减速电机
GR直角齿轮减速电机
转矩电机
直线减速机
调速器
型号含义及其他参考资料
NMRV蜗轮减速机
NMRV蜗轮减速器
NMRV-NMRV双联蜗轮减速器
型号含义及其他参考资料
您现在的位置:
首页
>>
NMRV蜗轮减速机
>>
NMRV蜗轮减速器
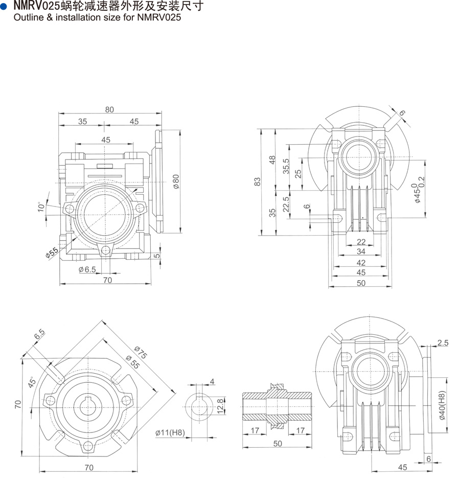
NMRV025
点击数:1012 录入时间:2018-12-13 23:27:16【
打印此页
】【
返回
】